32 274-25-17
32 273-91-29

41-800 ZABRZE
ul. Mikulczycka 21 B
k
o
n
t
a
k
t
Szybki kontakt:

tel. 32 2742517

Osoba kontaktowa
Telefon
E-mail
Treść zapytania
Jesteśmy producentem! Możemy wprowadzić zmiany do produktu zgodnie z wymaganiami. W tym celu skontaktuj się z nami: »

Typ UCHŁ

Specyfika tego prduktu wymaga, aby jego cena była ustalana indywidualnie w zależności od potrzeb Zamawiającego. Prosimy o kontakt celem przedstawienia ceny.
Szybki kontakt: tel. 32 2742517

Uchwyt UCHŁ przeznaczony jest do podnoszenia i transportu pionowego kręgów lin, drutu oraz zwojów blach. Wyposażony w ruchomą stopkę  umożliwia podniesienie kręgu z pozycji poziomej.

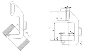
UCHWYT DO PODNOSZENIA KRĘGÓW TYP UCHŁ UCHWYT DO PODNOSZENIA KRĘGÓW TYP UCHŁ - WYMIAR
Typ DOR A min   mm A max
mm
I
mm
D
mm
E
mm
G
mm
H
mm
Waga
kg
UCHŁ 0,5/120 500 50 120 220 330 470 110 60 6,5
UCHŁ 0,5/200 100 200 300 330 470 110 60 10
UCHŁ 1/200 1000 100 200 300 460 600 110 60 15
UCHŁ 1/300 200 300 400 460 600 110 60 20
UCHŁ 2/200 2000 100 200 300 420 600 135 75 25
UCHŁ 2/300 200 300 400 420 600 135 75 30
UCHŁ 3/200 3000 100 200 300 610 820 160 90 40
UCHŁ 3/300 200 300 400 610 820 160 90 49

W zamówieniu należy podać Typ.


Zdjęcia:

 

Na zdjęciu uchwyty Typ UCHŁ-1/200 i UCHŁ-3/200.
Na naszych stronach internetowych stosujemy pliki cookies. Korzystając z naszych serwisów internetowych bez zmiany ustawień przeglądarki wyrażasz zgodę na stosowanie plików cookies zgodnie z Polityką Prywatności